产品库

长野计器(NKS)精密压力表

产品信息
加工定制:否品Pai:长野计器(NKS)型号:W&T,NKS,PN
类型:精密压力表
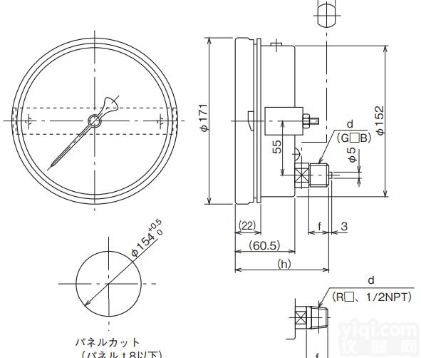
W&T型精密无液压力表 这种压力表将内部放大结构产生的误差减小到Z小。 零点可调,测量平稳。NKS型精密压力表 压力指示部分表盘较大,易于读数。 这种压力表将内部放大结构产生的误差减小到Z小。 零点可调,测量平稳。PN型便携式压力校验仪 GC11 类型:精确校准仪 安装方式:桌面式 压力范围:0-2KPa—0-20MPa,正负压可测 显示:GC10:3 1/2位,LED显示;GC11:4 1/2位LED显示 电源:100VAC±10% 精度:±(0.2%F.S. +1位数)或±(0.1%F.S. +1位数) 输出方式:模拟输出;继电器(输出阻抗100Ω,Z大匀许电流2mA以下)数字输出(可选) 应用:校验用高精度仪器详细情况请见www.njsunny.cn,欢迎来电咨询
信息声明:本产品供应信息由仪器网为您整合,供应商为(南京聚晖科技发展有限公司),内容包括 ( 长野计器(NKS)精密压力表)的品牌、型号、技术参数、详细介绍等;如果您想了解更多关于 ( 长野计器(NKS)精密压力表)的信息,请直接联系供应商,给供应商留言!
供应商产品推荐
    您可能感兴趣的产品