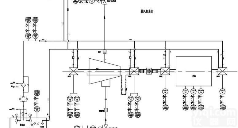
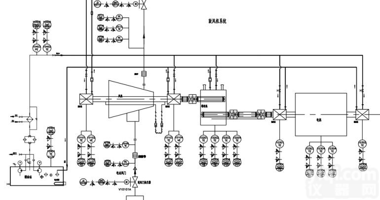
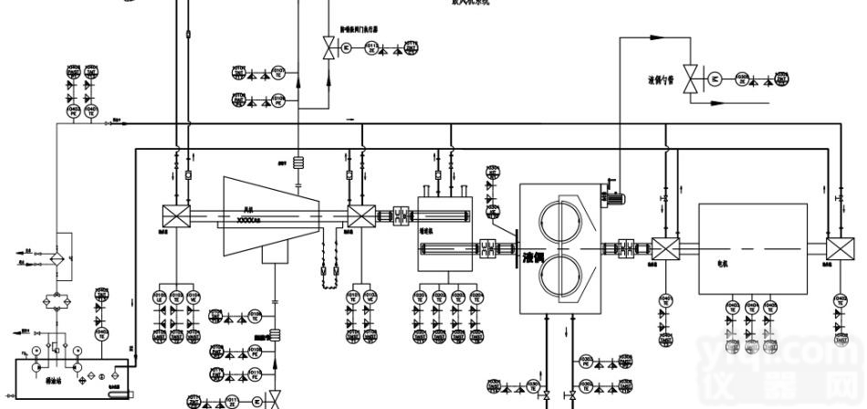
DRESSER风机, DRESSER泵, DRESSER阀门, DRE...
- 供应商:上海久武工贸有限公司
- 供应商报价:面议
- 标签:DRESSER风机, DRESSER泵, DRESSER阀门, DRESSER压缩机, DRESSE,-1,上海久武工贸有限公司


DRESSER风机, DRESSER泵, DRESSER阀门, DRESSER压缩机, DRESSER流量计, DRESSER燃烧计, DRESSER执行器.
Dresser Roots pioneered the rotary positive displacement blower design and still leads the industry today. Through a full line of rotary lobe blowers, Dresser delivers solutions for variable pressures with constant volumes. Dresser’s history of technical expertise and innovative product design combine to offer some of the most reliable and adaptable blowers in the world.
At Dresser, our business is about energy. We are one of the world's leading providers of innovative, reliable and affordable equipment and services for mission-critical applications in global energy infrastructure. We are a growing, successful company with the resources, the technology leadership and the internal capability to meet the demands of the energy business. We've built a reputation for delivering proven results and establishing long-term relationships with leading companies throughout the global energy infrastructure. Customers rely on Dresser to perform under the most demanding conditions and in the most critical applications — from production, transport and refining to power generation and retail distribution. Beyond the ever-expanding markets we serve, we're also driven View the Dresser brochure: English | French | German | Italian Portuguese | Russian | Spanish Chinese by the combined energy of more than 6,000 passionay committed employees in every region of the world. Sharing new ideas. Embracing personal accountability. Demonstrating integrity and respect in everything we do. And always developing ways to help customers perform better. This is an exciting time. We're well positioned to capitalize on the opportunities of our ever-changing world — helping customers succeed with proven solutions and keeping our business strong. That combination of passion and experience is the key to unleashing boundless potential.