产品库

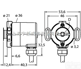
DW500-70-PA-H1141 图尔克旋转编码器

产品信息
图尔克旋转编码器的资料,图尔克代理处
TURCK旋转编码器包括实心轴型和轴套型两种产品,是系列丰富的产品线的一部分。截面尺寸从小型化设计的24mm ,到35、58、90和102mm。不同的轴类型和多种机械结构可以满足特殊应用的调整需求。拉线式编码器具有一个绳和滑轮机构,并且长度达到8000mm ,装置可以用作测量装置。除了增量型以外,还有单转或多转的型编码器,它们可以提供位置数据。特殊产品还包括采用不锈钢外壳的编码器或本安型编码器。能提供具有PROFIBUS-DP 或CAN 接口的编码器以接入总线系统。图尔克编码器,它具有规格多、外形尺寸齐全、技术指标和附加功能选择性强的特点。用户可以根据自己的需要选择适合自己的编码器。图尔克编码器广泛应用,均具有CE、UL认证。
1544521 RM-46S8S-3C24B-CT 1M
1544522 RM-47S8S-9D25B-CT 1M
1544523 RS-48H10E-3C13B-CT 1M
1544524 RS-49B6E-9D16B-CT 1M
1544525 RM-50B10E-3C24B-CT 1M
1544526 RM-50H8E-5G25B-CT 1M
1544527 RM-51B10E-9D25B-CT 1M
1544528 RS-52S6S-9D14B-H1151
1544529 RS-53H6E-9D14B-H1151
1544530 RS-53H8E-9D14B-H1151
1544531 DW250-70-7E-H1141
1544532 DW250-70-8C-H1141
1544533 DW250-70-PA-H1141
1544534 DW500-70-7E-H1141
1544535 DW500-70-8C-H1141
1544536 DW500-70-PA-H1141
1544537 DW1250-70-7E-H1141
1544538 DW1250-70-8C-H1141
1544539 DW1250-70-PA-H1141
1544000 Ri-01S4F1-2G50-C
1544001 Ri-01S4F1-2G100-C
1544002 Ri-01S4F1-2G360-C
1544003 Ri-01S4F1-2G500-C
1544004 Ri-01S4F1-2G1000-C
1544005 Ri-01S4F1-2G1024-C
1544006 Ri-01S5F3-2G1000-CA
图尔克旋转编码器的资料,图尔克代理处
TURCK图尔克编码器用于测量长度,位置,速度,角度或长度。它把机械位移量变成电信号。 图尔克可提供各种不同类型的编码器。包括各类轴型/轴套型编码器以及增量型/值型编码器在内,其适用轴径范围可达:24-120mm。其中,值型编码器分辨率可达17bit,增量型编码器脉冲分辨率可达36000ppr。
1544509 RI-43H30S-2E1024-C 1M
1544510 RI-43H25S4-2F1024-C 1M
1544511 RI-43H42S8-2E1024-12M23
1544512 RI-43H38S8-2B1024-C 1M
1544513 RI-43H28S8-2B1024-12M23
1544514 RI-43H25S8-4C1024-C 1M
1544515 RI-43H30S8-2E512-C 1M
1544516 RI-43H30S8-2E1024-C 1M
1544517 RS-44S8S-3C13B-CT 1M
1544518 RS-45S6S-9D16B-CT 1M
图尔克旋转编码器的资料,图尔克代理处
一、气动元件:
德国品Pai:德国FESTO费斯托气动元件,德国宝德BURKERT电磁阀,英国海隆诺冠
日本品Pai:日本SMC气动元件,日本CKD喜开理气动元件,日本小金井气动元件
意大利品Pai:意大利UNIVER,意大利康茂盛
美国品Pai:美国ROSS,美国ASCO电磁阀,美国MAC电磁阀
台湾:台湾MINDMAN金器,台湾AIRTAC亚德客
二、工控产品
德国品Pai:德国PILZ皮尔兹继电器,德国IFM易福门传感器,德国海德汉HEIDENHAIN,德国P+F倍加福传感器,德国RENCON编码器,德国施克SICK,德国TURCK图尔克,德国HIRSCHMANN赫斯曼工业交换机。德国亨士乐,德国MURR穆尔,德国金钟默勒
日本品Pai:日本欧姆龙OMRON传感器,日本神视SUNX,基恩士,日本奥普士,日本SUMTAK盛太克编码器,日本内密控编码器
美国品Pai:巴士德BARKSDALE
三、液压元件
美国品Pai:美国NUMATICS纽曼蒂克,美国PARKER派克气动液压,美国VICKERS威格士,美MOOG穆格,美国FAIRCHILD,美国POSEMOUNT罗斯蒙特,美国艾默生EMERSON,美国哈希HACH,美国丹尼逊液压元件,美国克力帕
德国品Pai:德国HAWE哈威,德国REXROTH力士乐,德国HYDAC贺德克,德国E+H,德国博力谋BELIMO
日本品Pai:日本油研YUKEN,日本不二越NACHI,日本黑田精工,日本丰兴TOYOOKI,日本大金液压DAIKIN,日本东机美
意大利:意大利ATOS阿托斯
本公司以“优质产品,GX服务,以客为先”的宗旨,为您提供原装正厂的优质产品,以合理的性价比,快捷的交货期,热情周到的服务,从而赢得客户的一致赞赏。
询价方式:
1、如果您需要询价,请发邮件或给我。并在上面注明贵公司的全称、、联系电 话,至少要有以上三个信息我们才能报价,公司规定敬请谅解!
2、请在您的询价单上注明品Pai英文拼写、中文品名(传感器、电机或检测仪等)、数量( 数量的多少直接影响产品单价请注意)。
3、欢迎加我QQ询价。
4、收到您的询价后我们会按顺序顺次处理请您放心。
全国供货地区:北京丨天津丨重庆丨上海丨福建丨江西丨山东丨河南丨甘肃丨青海丨内蒙古丨四川丨贵州丨云南丨陕西丨湖北丨湖南丨广东丨海南丨河北丨山西 黑龙江丨辽宁丨吉林丨江苏丨浙江丨安徽丨广西丨宁夏丨新疆丨西藏|石家庄 西安 |太原 | 大连 | 长春 | 哈尔滨| 合肥 | 南昌 |武汉| 长沙| 成都| 贵州 贵阳 | 郑州 | 昆明 | 兰州 | 乌鲁木齐 | 广州 | 深圳图尔克旋转编码器的资料,图尔克代理处
信息声明:本产品供应信息由仪器网为您整合,供应商为(东莞市润平机电设备有限公司),内容包括 (DW500-70-PA-H1141 图尔克旋转编码器)的品牌、型号、技术参数、详细介绍等;如果您想了解更多关于 (DW500-70-PA-H1141 图尔克旋转编码器)的信息,请直接联系供应商,给供应商留言!
供应商产品推荐
    您可能感兴趣的产品