产品库

WDL-100 直线位移测量系统WDL西安蓝田恒远水电站

产品信息
直线位移测量系统WDL-100西安蓝田恒远水电站
直线位移测量系统WDL-100西安蓝田恒远水电站
直线位移测量系统WDL-100西安蓝田恒远水电站
直线位移测量系统WDL-100西安蓝田恒远水电站
直线位移传感器概述
   WDL-100系列直线位移传感器,测量范围:0~100-750mm,其外型、技术参数、结构与国外的LT-M系列产品基本一致,但其价格却大大低于进口的同类产品。是理想的国外产品的替代品。现广泛应用于塑料注塑机械、木材加工机械、数控机床 、水电控制等所有需进行直线位移自动控制的机械设备及直线位移测量系统。WDL系列直滑式导电塑料电位器是一种长条式位移传感器,通过输出电压来控制位移偏移量,品种多,产品线性精度高,电气性能稳定,广泛应用于纺织机械、航空、航天、军事、电工.WDL25,WDL50,WDL100,WDL200,WDL300,直滑式导电塑料电位器直线位移传感器 WDL25 1K 5K 10K,WDL25-22DL-1A10KV电位器,直线位移电位器, 30毫米直线推拉电位器,直线推拉电位器拉杆电位器,常用阻值1K,2K,5K.行程:10毫米,30毫米,50毫米,100毫米,150毫米,200毫米,300毫米,350毫米,400毫米等等到20米范围可选.小行程可带回弹式,采用超精密度导电塑料基片以及贵金属电刷组装而成的直线位移传感器(俗称电子尺,电阻尺),量程75-1000mm,线性精度达到0.5%0.1%,重复精度0.013mm .寿命一亿次。
直线位移传感器主要参数
产品型号 WDL10, WDL14, WDL16, WDL25, WDL50, WDL100, WDL150M, WDL200M, WDL225M, WDL250M, WDL300M
标称阻值(kΩ) 1,2,3,5,10
总阻公差(%)±15
独立线性度(%)0.1%,0.2%,0.3%,0.5%,1%
理论电气行程(Max,mm)10±1, 14±1, 16±1, 25±1, 50±1, 100±1, 150±1, 200±1, 225±1, 250±1, 300±1
额定功率(W)2W(70°C) OW(125°C)
电阻温度系数(ppm/ oC) ≤±400
分辨力 理论上无限
绝缘电阻(MΩ) ≥500 (500VDC)
介质耐压(V) 500V(RMS 50Hz)1min
输出平滑性(%) ≤0.1
机械行程(Max,mm)10±6, 14±6, 16±6, 25±6, 50±6, 100±6, 150±6, 200±6, 225±6, 250±6, 300±6
工作温度范围(oC) -55~+125°C
寿命 10106 推力(Max﹒N)0.98, 1.96, 2.94
执行控制元件
1、 SZF双向供水转阀 
2、LSQ全自动滤水器 
3、B302-2自动补气 
4、QZB球阀型自动补气装置 
5、3KH-V自动补气装置 
6、DPW-DYW电磁配压阀 
7、DCF23电磁空气阀 
8、JZF集成制动阀组 
9、ZBF22Q小口径二位二通自保持球阀 
10、ZBF22QS二位二通双动自保持球阀 
11、ZBF23QS二位三通双动自保持球阀 
12、ZBF24QS二位四通双动自保持球阀 
13、ZBF22D自保持蝶阀 
14、DCF22B二位二通电磁阀 
15、SGP集成事故配压阀 
16、CGP插装式高压事故配压阀 
17、HCV组合式重锤卸荷阀 
18、LBF两段关闭阀 
19、SFD事故配压分段关闭装置 
20、QHF油源切换阀 
21、JXB机械液压过速保护装置 
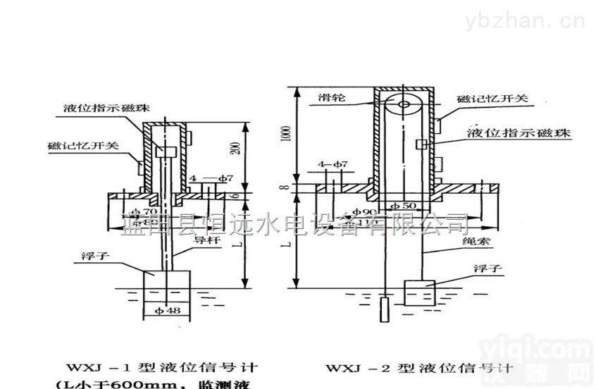
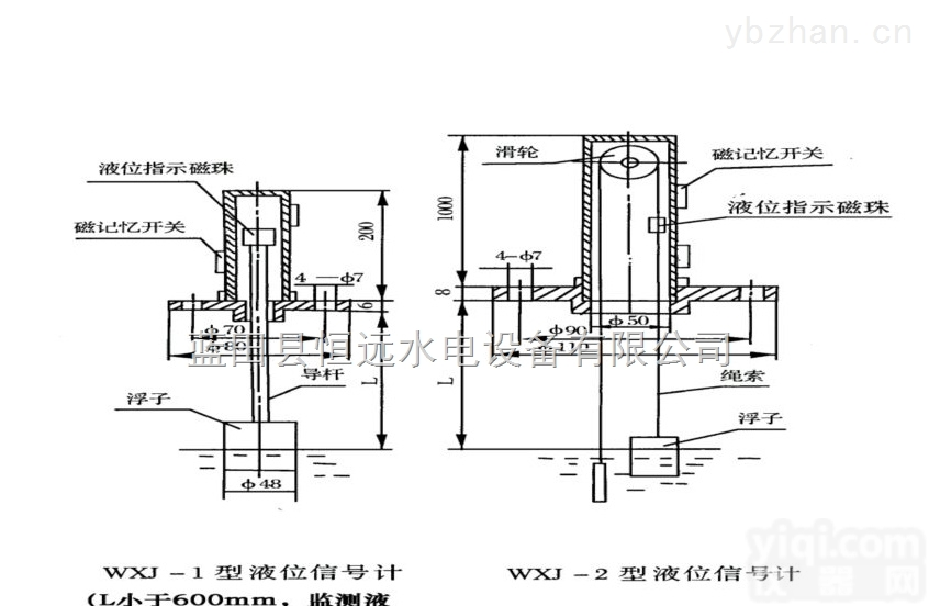
22 UXJ磁翻板液位计 
23、SLX示流信号器 
24、ZLB主令控制变送器 
25、DWG导叶位置开关
26、JTK记忆型可调整液位开关 
27、YKJ浮球液位控制器 
自动化监测元件、仪表 
1、ZKZ-2T/3T转速监控装置 
2、ZKZ-3A/T齿盘残压转速监控装置 
3、ZKZ-4可编程转速监控装置 
4、ZKZ-5双PLC冗余转速监控装置
5、ZJS双通道振动摆度监测装置
6、ZJS-4四通道振动摆度监测装置 
7、DEV多通道振动摆度监测装置 
8、ZWJ轴位移监测装置
9、RDJ-P机组蠕动监测装置 
10、ZDL-M轴电流监测装置 
11、ZDL-P可编程轴电流监测装置 
12、XPT133压力变送器 
13、XPT135液位变送器 
14、XPT137差压变送器 
15、ZYB压力变送控制器 
16、SYM水压脉动监测装置 
17、WKD液位变送控制器 
18、MSL磁线液位位移变送控制器 
19、ZWB智能温度变送控制器 
20、WYS-W位移变送控制器 
21、WYS-G角度控制变送器 
22、YHX油混水信号器 
23、YHX-2油混水监测装置 
24、YHX-3一体式油混水检测控制器 
25、TCS-K热导式流量开关 
26、TCS-Z热导式流量变送器 
27、DYK导叶开度仪
28、JDS剪断销信号装置 
29、LJZ-2差压流量监控装置 
30、LSX流量水头监测仪 
31、DSJ多功能水力参数监测装置 
32、SWJ水位监测仪
33、SWJ-3水位-水头监测装置 
34、WP-C温度监测仪 
35、WP-D温度巡检仪
辅机控制装置 
1、YZK油压罐自动控制装置 
2、PSK排水泵自动控制装置 
3、KJK空压机自动控制装置 
4、HDK火灾报警自动控制装置 
5、WSS机组测温制动柜
6、BFK回转型蝶阀控制柜
7、QFK回转型球阀控制柜 
8、QYK全液压球阀控制柜
信息声明:本产品供应信息由仪器网为您整合,供应商为(西安蓝田县恒远水电设备有限公司),内容包括 (WDL-100 直线位移测量系统WDL西安蓝田恒远水电站)的品牌、型号、技术参数、详细介绍等;如果您想了解更多关于 (WDL-100 直线位移测量系统WDL西安蓝田恒远水电站)的信息,请直接联系供应商,给供应商留言!
供应商产品推荐
    您可能感兴趣的产品