产品库

HG23-RU25F 板式液面计 防霜型液面计

产品信息

产品名称:板式液面计 防霜型液面计
产品型号: HG23-RU25F
产品编号: 31124
 

板式液面计 防霜型液面计  的详细介绍
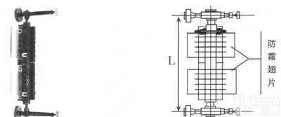
防霜型液面计用于0摄氏度以下的液体,低温液体常在液面计表面结霜或结冰无法正常观看液面,在这种场合,在可视窗上安装丙烯基型保护板,整体用保温材料保护以防冻、防霜,通过这种窗可观察到正确液面。
◆防霜型温度、材质、防霜板高度表     单位:mm
使用温度℃
-10~-40
-40~-70
-70~-100
-100~-160
-160~-196
材质
16Mn
1Cr18Ni9Ti
1Cr18Ni9Ti
1Cr18Ni9Ti
1Cr18Ni9Ti
防霜板高
60
110
150
200
250
信息声明:本产品供应信息由仪器网为您整合,供应商为(北京亿百万电子有限公司),内容包括 (HG23-RU25F 板式液面计 防霜型液面计)的品牌、型号、技术参数、详细介绍等;如果您想了解更多关于 (HG23-RU25F 板式液面计 防霜型液面计)的信息,请直接联系供应商,给供应商留言!
供应商产品推荐
    您可能感兴趣的产品